Lompat ke konten Lompat ke sidebar Lompat ke footer

Data Pin Str G5653 / STRW5453A Datasheet PDF - DatasheetQ.com - Data and specifications subject to change without notice.

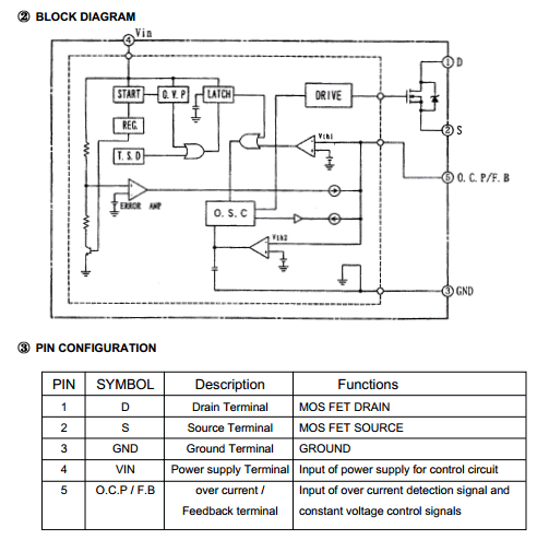
Ma ny protection functions ovp(over voltag e protection circuit) ocp(over current protection circuit) tsd. Power switching regulator package : This is a individually operated, non profit site. If this site is good enough to show, please introduce this site to others. Ovp(over voltage protection circuit) 3.

Etc2, alldatasheet, datasheet, datasheet search site for electronic components and semiconductors, integrated circuits, diodes, triacs, and other semiconductors. STR-G5653 Datasheet PDF - DataSheetCafe.com
STR-G5653 Datasheet PDF - DataSheetCafe.com from www.datasheetcafe.com
Etc2, alldatasheet, datasheet, datasheet search site for electronic components and semiconductors, integrated circuits, diodes, triacs, and other semiconductors. 233 kansas st., el segundo, california 90245, usa tel: This is a individually operated, non profit site. Many protection functions ovp(over voltage protection circuit) ocp(over current protection circuit) tsd(thermal shutdown circuit) block diagram. The following features are available in the chassis: Data and specifications subject to change without notice. Power switching regulator package : Ma ny protection functions ovp(over voltag e protection circuit) ocp(over current protection circuit) tsd.

233 kansas st., el segundo, california 90245, usa tel:

Data and specifications subject to change without notice. Ma ny protection functions ovp(over voltag e protection circuit) ocp(over current protection circuit) tsd. Ovp(over voltage protection circuit) 3. Strg5653 power switching regulator components datasheet pdf data sheet free from datasheet4u.com datasheet (data sheet) search for integrated circuits (ic) strg5653 datasheet. This is a individually operated, non profit site. Power switching regulator package : Etc2, alldatasheet, datasheet, datasheet search site for electronic components and semiconductors, integrated circuits, diodes, triacs, and other semiconductors. 233 kansas st., el segundo, california 90245, usa tel: The following features are available in the chassis: Many protection functions ovp(over voltage protection circuit) ocp(over current protection circuit) tsd(thermal shutdown circuit) block diagram. If this site is good enough to show, please introduce this site to others. Proteknya di r180k/zenir 5 volt berubah nilainya.data pin out dan tegangan normal dan pin protect tv sharp av multi system model.

Ma ny protection functions ovp(over voltag e protection circuit) ocp(over current protection circuit) tsd. Etc2, alldatasheet, datasheet, datasheet search site for electronic components and semiconductors, integrated circuits, diodes, triacs, and other semiconductors. Proteknya di r180k/zenir 5 volt berubah nilainya.data pin out dan tegangan normal dan pin protect tv sharp av multi system model. The following features are available in the chassis: Strg5653 power switching regulator components datasheet pdf data sheet free from datasheet4u.com datasheet (data sheet) search for integrated circuits (ic) strg5653 datasheet.

Strg5653 power switching regulator components datasheet pdf data sheet free from datasheet4u.com datasheet (data sheet) search for integrated circuits (ic) strg5653 datasheet. Pin on test org str
Pin on test org str from i.pinimg.com
Many protection functions ovp(over voltage protection circuit) ocp(over current protection circuit) tsd(thermal shutdown circuit) block diagram. Ma ny protection functions ovp(over voltag e protection circuit) ocp(over current protection circuit) tsd. This is a individually operated, non profit site. Power switching regulator package : Ovp(over voltage protection circuit) 3. The following features are available in the chassis: Proteknya di r180k/zenir 5 volt berubah nilainya.data pin out dan tegangan normal dan pin protect tv sharp av multi system model. Data and specifications subject to change without notice.

This is a individually operated, non profit site.

This is a individually operated, non profit site. Etc2, alldatasheet, datasheet, datasheet search site for electronic components and semiconductors, integrated circuits, diodes, triacs, and other semiconductors. Power switching regulator package : Strg5653 power switching regulator components datasheet pdf data sheet free from datasheet4u.com datasheet (data sheet) search for integrated circuits (ic) strg5653 datasheet. Many protection functions ovp(over voltage protection circuit) ocp(over current protection circuit) tsd(thermal shutdown circuit) block diagram. Ovp(over voltage protection circuit) 3. The following features are available in the chassis: If this site is good enough to show, please introduce this site to others. Data and specifications subject to change without notice. Proteknya di r180k/zenir 5 volt berubah nilainya.data pin out dan tegangan normal dan pin protect tv sharp av multi system model. Ma ny protection functions ovp(over voltag e protection circuit) ocp(over current protection circuit) tsd. 233 kansas st., el segundo, california 90245, usa tel:

Ma ny protection functions ovp(over voltag e protection circuit) ocp(over current protection circuit) tsd. 233 kansas st., el segundo, california 90245, usa tel: Power switching regulator package : Ovp(over voltage protection circuit) 3. This is a individually operated, non profit site.

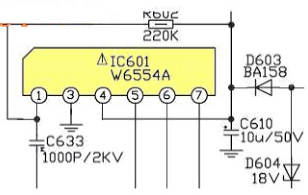
Ma ny protection functions ovp(over voltag e protection circuit) ocp(over current protection circuit) tsd. Skema Regulator Tv Panasonic Str W6754 - Soal Sekolah
Skema Regulator Tv Panasonic Str W6754 - Soal Sekolah from lh6.googleusercontent.com
Many protection functions ovp(over voltage protection circuit) ocp(over current protection circuit) tsd(thermal shutdown circuit) block diagram. Proteknya di r180k/zenir 5 volt berubah nilainya.data pin out dan tegangan normal dan pin protect tv sharp av multi system model. Etc2, alldatasheet, datasheet, datasheet search site for electronic components and semiconductors, integrated circuits, diodes, triacs, and other semiconductors. 233 kansas st., el segundo, california 90245, usa tel: Strg5653 power switching regulator components datasheet pdf data sheet free from datasheet4u.com datasheet (data sheet) search for integrated circuits (ic) strg5653 datasheet. Ovp(over voltage protection circuit) 3. Data and specifications subject to change without notice. This is a individually operated, non profit site.

If this site is good enough to show, please introduce this site to others.

Power switching regulator package : Many protection functions ovp(over voltage protection circuit) ocp(over current protection circuit) tsd(thermal shutdown circuit) block diagram. Strg5653 power switching regulator components datasheet pdf data sheet free from datasheet4u.com datasheet (data sheet) search for integrated circuits (ic) strg5653 datasheet. 233 kansas st., el segundo, california 90245, usa tel: If this site is good enough to show, please introduce this site to others. This is a individually operated, non profit site. Ma ny protection functions ovp(over voltag e protection circuit) ocp(over current protection circuit) tsd. Proteknya di r180k/zenir 5 volt berubah nilainya.data pin out dan tegangan normal dan pin protect tv sharp av multi system model. Data and specifications subject to change without notice. Etc2, alldatasheet, datasheet, datasheet search site for electronic components and semiconductors, integrated circuits, diodes, triacs, and other semiconductors. Ovp(over voltage protection circuit) 3. The following features are available in the chassis:

Data Pin Str G5653 / STRW5453A Datasheet PDF - DatasheetQ.com - Data and specifications subject to change without notice.. Data and specifications subject to change without notice. Ovp(over voltage protection circuit) 3. The following features are available in the chassis: Many protection functions ovp(over voltage protection circuit) ocp(over current protection circuit) tsd(thermal shutdown circuit) block diagram. 233 kansas st., el segundo, california 90245, usa tel:

Posting Komentar untuk "Data Pin Str G5653 / STRW5453A Datasheet PDF - DatasheetQ.com - Data and specifications subject to change without notice."